

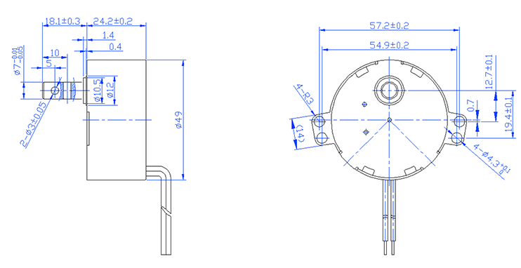
Applications:DC fan、heater、ice machine、washing machine ect.
SCHEMATIC CIRCUIT
SPECIFICATION
prev:Oven Motor 49TYJ-E-II
next:Stepper motor 24BYJ



